В технике кабельного телевидения (КТВ) широко используются делители мощности (сплиттеры) сигналов. Они используются для внешней и внутридомовой разводки сетей КТВ и имеют различную конфигурацию. Обычно мощность, подаваемая на вход делителя, равномерно распределяется между несколькими выходами. Однако имеется обособленный класс делителей, именуемых ответвителями, которые ответвляют часть мощности, передаваемой по магистральному кабелю.
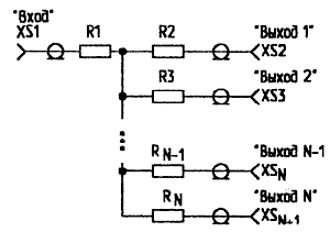
Схема на рис.1 представляет собой широкополосный делитель, равномерно распределяющий входной сигнал между N выходами. Коэффициент затухания сигнала К3 на любом выходе рассчитывается по формуле

Рис.1. Широкополосный делитель
Как можно заметить из данной формулы, сигнал на любом выходе ослабляется. Если усилить сигнал на выходе делителя до уровня входного, то получим активный делитель, или разветвитель Конструктивно усилитель включают до делителя, а коэффициент его усиления выбирают равным коэффициенту затухания делителя (Кз). Резисторы R1. RN равны и вычисляются по формуле
ДЕЛИТЕЛИ И ОТВЕТВИТЕЛИ ТВ СИГНАЛА, в чем разница?Как сделать разводку тв кабеля?

(2)
Сопротивления входа и выходов должны быть равными Zн (условие согласования нагрузки).
В таблице1 приведены данные делителей, имеющих N выходов, работающих на нагрузку 75 Ом.
| 2 | 25 | 6,02 |
| 3 | 37,5 | 9,54 |
| 4 | 45 | 12,04 |
| 5 | 50 | 13,98 |
| 6 | 53,6 | 15,56 |
| 7 | 56,3 | 16,90 |
| 8 | 58,3 | 18,06 |
| 9 | 60 | 19,08 |
| 10 | 61,4 | 20 |
| 16 | 66,2 | 24,08 |
| Zн=5 Ом |
Основным достоинством этих устройств является их широкополосность и равномерность АЧХ в полосе пропускания. На рис.2 изображена конструкция делителя с тремя выходами. Все резисторы имеют сопротивление 37,5 Ом. Делитель собирается в латунной или дюралюминиевой коробке. Входной и выходные разъемы — типа «F» или «SMA».
Первые предпочтительнее, т.к. предусматривают подключение коаксиальных кабелей без использования пайки.

Рис.2. Конструкция делителя с тремя выходами

Разветвители и ответвители! В чем разница, варианты применения. Антенна в доме своими руками
Рис.3. Печатная плата делителя с тремя выходами
Теоретически полоса пропускания такой схемы не ограничена. Однако при использовании монтажа, приведенного на рис.2, на высоких частотах (выше 800 МГц) АЧХ становится неравномерной и имеет спад (сказывается влияние паразитных емкостей и индуктивностей выводов резисторов).
Для устранения данного нежелательного явления используют безвыводные резисторы, монтируемые на поверхность печатных плат. Печатная плата (рис.3) выполнена из двустороннего фольгированного стеклотекстолита марки СТНФ толщиной 1,5 мм. Ширина дорожек — 1,2 мм. Резисторы впаиваются в разрывы дорожек.
Применение данного метода позволяет получать отличные результаты работы делителей на частотах вплоть до 3 ГГц. При использовании делителей на более высоких частотах, печатную плату изготавливают из фторопласта.
На практике широкополосные делители используются для распределения сигналов от конвертора приемника спутниковых ТВ-программ между несколькими тюнерами (внутренними блоками). Для компенсации затухания сигнала в делителе используется компенсирующий усилитель.
Принципиальная схема разветвителя сигналов первой ПЧ в приемниках СТВ-программ изображена на рис.4, а монтажная схема, выполненная по SMD-технологии — на рис.5.

Рис.4. Разветвитель сигналов первой ПЧ в приемниках СТВ-программ

Рис.5. Монтажная схема разветвителя
Крестики на чертеже платы указывают сквозные отверстия, через которые соответствующие печатные дорожки соединяются с общей шиной (второй стороной). Общая шина имеет электрический контакт с корпусом разветвителя. XS1.. .XS3 — «F»-разъемы. Все элементы (в том числе L1 и L3) — SMD-типа (можно применить обычные элементы, откусив полностью их выводы и припаяв непосредственно к печатным дорожкам). Катушка L2 — бескаркасная, с внутренним диаметром 3 мм, имеет 4 витка провода ПЭВТЛ диаметром 0,47 мм.
Как можно видеть из схемы, компенсирующий усилитель питается постоянным напряжением (одновременно питающим и наружный конвертор), которое поступает от тюнера, включенного на «Выход 1». Прохождение напряжения питания от второго тюнера и колебания частотой 22 кГц блокируются развязывающей емкостью С5. Таким образом, ведущим тюнером оказывается тот, который подключен к разъему XS2 «Выход 1».
На рис.6 изображена принципиальная схема делителя-ответвителя, который, в отличие от схемы на рис.1, имеет меньшее затухание. Ответвители широко используются в сетях КТВ при подъездной разводке. Сигнал от магистрального кабеля через магистральный ответвитель подается на подъездный кабель (более тонкий, чем магистральный). На каждом этаже в разрыв кабеля включаются ответвители, показанные на рис.6. При этом неважно, какой из разъемов, XS1 или XS8, является входом (выходом).

Рис.6. Принципиальная схема делителя-ответвителя
На последнем этаже, где оканчивается подъездный кабель, устанавливают либо ответвитель, к выходу которого подключают заглушку 75 Ом («терминатор»), либо разветвитель, показанный на рис.7.

Рис.7. Принципиальная схема разветвителя
Подъездные разветвители собирают в латунных или дюралюминиевых корпусах соответствующих размеров. Все индуктивности — бескаркасные, диаметр 5 мм. L1, L4 (рис.6) и L1, L2 (рис.7) — 2,5 витка; 12, L3 (рис.6) — 6 витков, намотанных проводом ПЭВТЛ диаметр 0,8 мм, шаг намотки — 1,5 мм. Все разъемы — типа «F».
Для ответвления сигналов от магистральных кабелей используют ответвители, собранные по аналогичным схемам (рис.8,9). В связи с тем, что пассивные компоненты передают в данном случае более высокую мощность, нагрузочные резисторы должны иметь допустимую рассеиваемую мощность не менее 2 Вт. Соответственно изменен тип разъемов, через которые ответвитель подключается к магистральному кабелю. В качестве XS1, XS2 используют СВЧ-разъемы типа СР-75-66ФВ. Катушки L1, L2 наматываются проводом ПЭВТЛ диаметр 1,2 мм (при настройке уточняют шаг витков).


Рис.8,9. Магистральные ответвители
В принципе, возможно изготовление магистральных ответвителей со сколь угодно большим количеством отводящих выходов, однако на практике достаточно иметь два отвода. На конце магистрального кабеля устанавливают либо ответвитель (рис.8), к выходу которого подключается 75-омный терминатор, либо разветвитель (рис.7).
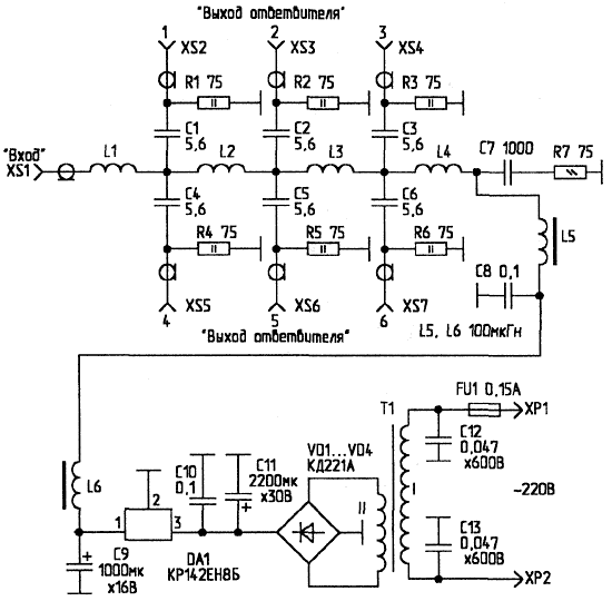
Описанные ответвители хорошо работают на частотах до 300 МГц и достаточно прилично — в диапазоне 300. 800 МГц. Если подъездный ответвитель используется для разводки сигнала от коллективной ДМВ- или MMDS-антенны, которые имеют наружный усилитель и конвертор, на этажах устанавливают ответвители, изображенные на рис.6, а на конце кабеля — разветвитель-инжектор питания (рис.10).
Индуктивности L1 . L4 идентичны применяемым в схеме на рис.6. L5 и L6 — типа Д-0,1. В качестве Т1 используют любой малогабаритный трансформатор с выходным напряжением 15 В и допустимым током 0,5. 0,7 А. Устройство собрано в дюралюминиевом корпусе; элементы блока питания отделяются от схемы разветвителя перегородкой. DA1 крепится непосредственно к корпусу, играющему роль теплоотвода.

Рис.10. Разветвитель-инжектор питания
На рис.11 изображена типичная схема разводки сигнала от одной MMDS-антенны (2,5. 2,7 ГГц) [1]. В качестве подъездного кабеля используют RG-6U, абонентского — RG-6. При отладке системы необходимо уточнить требуемое напряжение питания конвертора MMDS. Если оно отличается от 12 В, необходимо заменить DA1 (рис.10) на соответствующую (например, для Uп=15 В используется КР142ЕН8В).

Рис.11. Схема разводки сигнала от одной MMDS-антенны
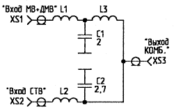
Нельзя обойти вниманием класс устройств, называемый «комбайнерами-сплиттерами» СТВ/ТВ сигналов. Принцип их работы поясняется на рис.12. Комбайнер складывает сигналы ПЧ1 СТВ от конвертора (полоса частот, занимаемых сигналом — 950. 2050 МГц) и усиленные антенным усилителем сигналы MB и ДМВ ТВ-программ (48. 800 МГц).
Результирующий сигнал по кабелю снижения подается на сплиттер-разветвитель, где снова выделяются сигналы ПЧ1 СТВ (подаются на СТВ-тюнер) и МВ/ДМВ-сигналы ТВ (подаются на антенный вход ТВ-приемника). На рис.13 приведена схема комбайнера. XS1. XS3 — «F»-разъемы. Схема монтируется в дюралюминиевом корпусе. Индуктивности — бескаркасные, d2,5 мм.
Они намотаны посеребренным проводом d0,31 мм и имеют: L1 — 2 витка, L2 — 3 витка, a L3 — 2,5 витка.

Рис.12. Принцип работы комбайнеров-сплиттеров

Рис.13. Схема комбайнера
Антенный усилитель МВ/ДМВ питается от постоянного напряжения, поступающего с СТВ-тюнера. Ток потребления усилителя не должен превышать 50. 70 мА.
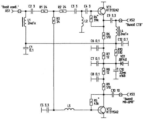
На рис.14 изображена схема активного сплиттера, который разделяет сигналы, объединенные комбайнером, а также компенсирует затухание, вносимое делителем, входящим в состав сплиттера. Компенсирующий усилитель питается от СТВ-тюнера через кабель снижения. L2 и L3 — бескаркасные, d3 мм, намотаны посеребренным проводом d0,31 мм и имеют: L2 — 3,5 витка, a L3 — 3 витка соответственно. Сплиттер монтируется SMD-методом и заключается в латунный или дюралюминиевый корпус.

Рис.14. Схема активного сплиттера
В заключение следует отметить, что при настройке вышеописанных устройств желательно использовать ГКЧ с полосой качания от 30 до 3000 МГц. После настройки устройств необходимо снять их точные АЧХ и нанести их на верхние крышки устройств, для наглядного представления характеристик используемых схем.
Во избежание поражения плавающими потенциалами необходимо предусмотреть заземление корпусов всех описанных устройств.
- Федоров В. Микроволновые системы распределения ТВ-программ. — Радиолюбитель, 1999, N11, С.5-7
Мнения читателей
Нет комментариев. Ваш комментарий будет первый.
Вы можете оставить свой комментарий, мнение или вопрос по приведенному выше материалу:
Источник: www.radioradar.net
ZT-412: Ответвитель телевизионного сигнала

Товар находится в неверной категории? Нажмите на ссылку и мы подберем для товара правильную категорию.
Цену уточняйте
+7 Показать номер
Отправить сообщение
Запрос звонка
У нас покупают
- Гири 2 кг
- Журнал технического обслуживания
- Коронка SDS-Plus твердосплавная Практика
- Цинк уксуснокислый
- Кузов для тачки
- Жвачка для похудения
- Пескоразбрасыватель съемный
- Гайка самоконтрящаяся КАМАЗ
- Вакуумная машина Henkovac
- Манометры для пара
- Лыжный модуль для мотобуксировщиков
- Тетради А4 в твердой обложке
- Заземление ЗПП-35М
- Низкотемпературные би-блоки
- Кубик рубика
Другое электрооборудование в вашем регионе
Обслуживание
| 3 отзыва за всё время |
| 0% обработанных заказа из 26 за год |
| Заказ обрабатывается в среднем больше года |
Достижения
года на портале
Актуальность уточняйте
Низкое качество обслуживания
Источник: promportal.su

Телевизионный ответвитель представляет собой устройство, необходимое для отвода телевизионного сигнала от магистральной линии передач. Ответвитель используют в тех случаях, когда телеприемники находятся на большом удалении друг от друга. При этом сигнал распределяется по внутридомовой схеме разводки. Данный ответвитель имеет 1 отвод мощностью ХХ дБ.
Подключается такой ответвитель с помощью стандартных F-разъемов. Ответвитель имеет один вход для магистрального кабеля, один абонентский выход и один выход для магистрального кабеля. Ответвители иногда называют проходными делителями, т.к. ответвляется лишь небольшая доля сигнала, а основной сигнал проходит дальше. .
Технические характеристики:
| Модель | 3-10 / 3-12 / 3-14 / 3-16 |
| Ослабление на отвод, дБ | 10,0 / 12,0 / 14,0 / 16,0 |
| Ослабление на проход, дБ | 4,5 / 2,8-3,8 / 2,4-3 / 2-2,5 |
| Развязка отвод-проход, дБ | › 20 |
| Развязка отвод-отвод, дБ | › 30 |
| Материал корпуса | сплав алюминия и цинка |
| Разъёмы (вход, выход, 3 отвода) | F- типа |
| Габариты, мм. | 80 х 50 х 30 |
| Вес, кг | — |

Технический отдел
Торговый отдел
+7 (903) 144-24-76 | +7 (903) 144-24-77
Пон-Пят 08:30 — 16:00 (без перерыва)
Суб., воскр выходной
Источник: www.belkatv.ru