Доброго времени суток всем! Прошу помощи.
БП MIP-260D работает 2-5 секунд(несколько раз работал по несколько минут) и переходит в какой-то режим(возможно аварийный), лампы гаснут, дежурное питание остается, 12В и 5В пропадают, на плате начинает мигать светодиод сериями по 3 раза. возможно это какой-то код ошибки?
Каких либо видимых повреждений не обнаружено.
схему от БП MIP-260Т нашел тут на форуме, по ней всё совпадает.
Изображения
| IMG_2177.JPG (1.83 Мб, 0 просмотров) |
В номенклатуре продукции MEAN WELL в Компэл можно легко найти требуемую модель стандартного источника питания практически для всех отраслей применения. Рассмотрим преимущества, эксплуатационные характеристики, схемотехнику и конструктивные решения трех наиболее характерных представителей класса источников питания в открытом исполнении семейств EPS, EPP и RPS, которые могут использоваться для индустриальных устройств.
ремонт блока питания AKAI (по всей видимости от телевизора)

Регистрация: 15.10.2012
Сообщений: 373
Репутация: 154
Пробуй заменить кондеры фильтров питания.На фото в правом нижнем углу.Меняй все оптом (только на новые)
Приглашаем на вебинар, посвященный новой продукции MORNSUN для промышленной автоматизации и телекоммуникационных приложений. Мы представим источники питания на DIN-рейку класса High-End для применения в ответственных областях, способные заменить продукцию именитых европейских брендов, а также безвентиляторные ИП для жестких условий эксплуатации, модули UPS и резервирования. Рассмотрим, как и на базе каких компонентов можно реализовать питание в телекоммуникационных и промышленных устройствах от шины до точки нагрузки (PoL). Покажем, почему использование продукции MORNSUN выгодно в нынешних экономических условиях.
Источник: www.rlocman.ru
Ремонт телевизоров
Описание частных случаев ремонта телевизоров из практики телевизионного мастера.
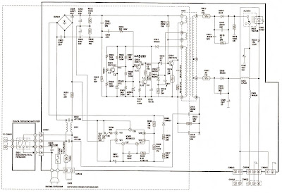
Блок питания телевизора AКAI (ЕА), AКAI СТ-2005Е, СТ-1407D, СТ-1407DТ (состав, принцип работы, основные неисправности)
Блок-схема блока питания телевизора AКAI (ЕА), AКAI СТ-2005Е, СТ-1407D, СТ-1407DТ
(для увеличения изображения кликните по схеме)
Принципиальная электрическая схема блока питания телевизора AКAI (ЕА), AКAI СТ- 2005Е, СТ-1407D, СТ-1407DТ
(для увеличения изображения кликните по схеме)
Ремонт блока питания телевизора AKAI LEA-32M19P. Не включается
Состав блока питания телевизора aкai :
· сетевой фильтр: L901, С923, С901, С902, С903, С904;
· выпрямитель: BR901, С905, С906;
· автоматический переключатель питания: IC902, D908;
· усилитель ошибки: Q902, Q903;
· ключевой каскад, блокинг-генератор: Q904, Т901, D902, D903, С912;
· выходные выпрямители:
— канал +110B: D904, С921;
— канал +23B: D906, С920.
Принцип работы блока питания телевизора akai
Автоматический переключатель питания (IC902) управляет тиристором 125А2А1, который замыкает одну из фаз на среднюю точку сглаживающих конденсаторов (при питании 110B) и размыкает при питании 220B. При питании 110B происходит удвоение напряжения за счет двух диодов моста BR901, а сглаживающие конденсаторы С905, С906 работают в режиме подзарядки в разные полупериоды сетевого напряжения.
B режиме питания 220B BR901, С905, С906 работают в обычном режиме. Тиристор 125А2А1 выключен. B функции логического узла (IC902) входит автоматическое распознавание сетевого напряжения и выдача управляющего сигнала при том или ином напряжении питания на исполнительный элемент (замыкатель — в данном случае тиристор).
При подаче напряжения с выпрямителя (+300B) напряжение поступает через обмотку 7-1 Т901 на коллектор Q904 и через R913 на базу Q904, открывая его до состояния насыщения и заряжая С912. С обмотки 9-10 выделяется напряжение обратной связи, которое перезаряжает С912 и закрывает Q904. Далее процесс переходит в автоколебательный режим.
Q901 является генератором опорного напряжения и одновременно устройством сравнения. Q902, Q903 выполняют функцию усилителя ошибки, который корректирует процесс заряда/разряда С912, то есть изменяет время открытия или закрытия Q904. Или иными словами, регулирует мощность, отдаваемую в нагрузку.
Рассмотрим работу цепи стабилизации выходных напряжений. Если увеличился ток нагрузки на одном из выходных каналов питания, на обмотке 11-12 Т901 выделяется меньшее напряжение, которое преобразуется устройством сравнения и усилителем ошибки в управляющий сигнал на «+» С912, который уменьшает время заряда/разряда данного конденсатора, то есть ключевой модулятор будет работать с большей отдачей мощности в нагрузку, что скомпенсирует выходные напряжения с выпрямителей. И, наоборот, уменьшение нагрузки выходных выпрямителей, приведет к уменьшению частоты генерации преобразователя, что также скомпенсирует «провал» напряжения на выходных выпрямителях.
Основные неисправности блока питания телевизора akai
1. Блок питания не работает, горит сетевой предохранитель FUSE F901.
1.1. Неисправны элементы сетевого фильтра, системы размагничивания, выпрямителя. Проверить элементы данных блоков (смотри состав).
1.2. Неисправны элементы ключевого преобразователя:
— проверить исправность Q904, С912, Q901, Q902, Q903;
— проверить исправность на короткое замыкание витков трансформатора Т901;
— проверить, есть ли короткое замыкание в нагрузках блока питания и исправна ли система защиты и стабилизации (Q901, ZD901, ZD902, Q902, Q903, D901, С910).
1.3. Неисправен узел автоматического переключения питания.
— проверить исправность С905, С906;
— проверить (заменой) IC902.
При ложном срабатывании IC902 или пробое тиристора 125А2А1 120 может наблюдаться выход из строя BR901. С905, С906, Q904, С912, D901, D902, D903 (в случае, когда подано сетевое напряжение 220В, а конечный узел начал работать в режиме 110В).
2. Блок питания не работает, сетевой предохранитель цел.
· Проверьте прохождение питания на ключевой модулятор (на 7 выводе Т901 должно быть около 300В). В противном случае проверьте элементы сетевого фильтра и выпрямителя. Особенное внимание обратите на исправность Q901, BR901.
· Неисправен ключевой модулятор:
— проверьте R914, R912. R913, а также все элементы ключевого преобразователя в последовательности от Q904 до Q901;
— проверьте на обрыв обмотки импульсного трансформатора Т901.
Источник: remtv.blogspot.com
схемы телевизора акай ct 1407d
Технические схемы и документация на QRZ.RU . Описание: Принципиальная схема блока питания AKAI CT-1407, CT-2005E, CT-1407D.26 май 2006 . Схему, так быстренько глянул, думаю нужно распечатать, а то на мониторе что то не того. Но по сравнению со схемой на БП, что я . AKAI CT-1407 DT (Схема) Телевизор не включается. . AKAI CT-1407D ( Схема) Экран интенсивно заливает синим, видны линии обратного хода.AKAI CT-1407 DT (Схема) Телевизор не включается. . AKAI CT-1407D ( Схема) Экран интенсивно заливает синим, видны линии обратного хода.
СХЕМЫ ТЕЛЕВИЗОРА АКАЙ ct 1407d
Язык: Русский
Дата: 29.05.13
Файл: shemy-televizora-akay-ct-1407d.zip
Скачали: 12 раз(а) сегодня / 1692 раз(а) за все время

Спойлер
Нет комментариев. Ваш будет первым!
Источник: tailor.ru