У родителей старый телевизор, купленный более пятнадцати лет назад. Этот прибор бытовой техники работал хорошо, но в последнее время дает сбои-включается ни сразу (загорается экран) спустя время иногда минут пятнадцать, а когда идет показ рекламы экран сразу почему-то темнеет (затухает) и не видно ничего, потом спустя какое-то время после того как закончатся рекламные ролики снова включается. Почему такое происходит?
комментировать
в избранное
Танюш ка64 [139K]
5 лет назад
На мой взгляд, Вам здорово повезло, ведь, когда идёт реклама, сила звука всегда резко подскакивает, что приходится понижать уровень, чтобы, например, не разбудить спящего ребёнка, пока идёт реклама. Да и сама я в это время стараюсь найти полезное занятие (помыть посуду, стереть пыль с поверхностей мебели и тому подобное), которое не требует «громкого сопровождения» :).
Вот и на старые телевизоры громкая реклама действует, как шоковая терапия. Резкое увеличение звука без видимой на то причины заставляет технические внутренности старенького телевизора на всякий случай снизить такое неблагоприятное воздействие, чтоб сэкономить силы для показа более нужной человеку информации.
Как на телевизоре уменьшить изначально громкий звук (GRUNHELM на 9 андройде).
Какие умные телевизоры делали раньше!
автор вопроса выбрал этот ответ лучшим
комментировать
в избранное ссылка отблагодарить
Даксп лячи Учлин зайх [225K]
5 лет назад
Старые телевизоры на сегодняшний день — это очень большой раритет. А если такой телевизор еще и работает — то это для некоторых (особенно для детей нового поколения) самое настоящее чудо света. Ибо такой телевизор они видели на картинках в интернете, либо в старых фильмах по телевизору. Старый работающий телевизор можно найти у какой нибудь бабушки в деревне.
При этом и в городе такие телевизоры есть. Их однако включают редко, так как любое следующее включение может стать поседним. В таких телевизорах есть функция экономии энергии. Проще говоря — чем дольше работает, тем больше он экономит энергию. И в итоге либо через час выключается (раньше больше часа телевизор смотрели редко), либо уменьшается яркость и телевизор таки затухает.
А попадается это дело на рекламу, потому что реклама сейчас регулярно крутится. А когда идут новости или фильм — то на затухание люди не обращают внимание. Ибо они увлечены процессом.
И еще один вариант и он вновь об экономии. Реклама яркая, тогда как телевизор яркость снижает и бережет энергию.
Источник: www.bolshoyvopros.ru
Громкость рекламы
![]()
7.3 K 19:17 — 30/Ноя/20 Dobrinya (7 лет 11 месяцев)
Настройка параметров звука в телевизорах LG
Я хочу обратить внимание на проблему громкости рекламы на телевидении.
Эта проблема становится еще более актуальна в связи с эпидемией коронавируса.
Очень много людей в настоящий момент работает из дома. Однако, в одной квартире с работающими людьми часто находятся не работающие дети и пенсионеры. В течении дня в квартире включают телевизор. Это не создает проблем если телевизор работает на малой громкости. Однако во время рекламных роликов постоянно резко повышаются громкость телепередачи.
Именно это резкое изменение громкости очень мешает работать, даже если телевизор находится в другой комнате.
Телеканалы игнорируют Федеральный закон «О рекламе» от 13.03.2006 N 38-ФЗ от 13 марта 2006 года.
В статье «14. Реклама в телепрограммах и телепередачах» явно указано :
12. При трансляции рекламы уровень громкости ее звука, а также уровень громкости звука сообщения о последующей трансляции рекламы не должен превышать средний уровень громкости звука прерываемой рекламой телепрограммы или телепередачи. Соотношение уровня громкости звука рекламы и уровня громкости звука прерываемой ею телепрограммы или телепередачи определяется на основании методики измерения уровня громкости звука рекламы в телепрограммах и телепередачах, утвержденной федеральным антимонопольным органом и разработанной на основе рекомендаций в области нормирования звуковых сигналов в телерадиовещании, утвержденных федеральным органом исполнительной власти, осуществляющим функции по выработке и реализации государственной политики и нормативно-правовому регулированию в сфере массовых коммуникаций и средств массовой информации. Выявление превышения уровня громкости звука рекламы над средним уровнем громкости звука прерываемой ею телепрограммы или телепередачи осуществляется антимонопольным органом как в ходе наблюдения за соблюдением требований к уровню громкости звука рекламы, проводимого в порядке, установленном федеральным антимонопольным органом, так и в результате проведения проверок соблюдения требований законодательства Российской Федерации о рекламе в соответствии со статьей 35.1 настоящего Федерального закона.
Обратите внимание, что исполнение закона игнорируется как телеканалами так и антимонопольными органами на которые возложен контроль за соблюдением этого закона.
Примерно с таки м текстом направил обращение в ОНФ.
Источник: aftershock.news
Простой блок Антиреклама
В статье речь пойдет о борьбе с рекламой в телевизионных передачах. Автор публикуемого ниже материала предлагает еще один вариант простого устройства для такой цели.
Реклама, как известно, — «двигатель» торговли. Но особенно над ней начинаешь задумываться только вечером, когда сядешь к телевизору посмотреть заинтересовавший фильм. Однако он часто прерывается рекламой повышенной громкости. Некоторые раздраженные зрители могут даже выключить телевизор. Самые стойкие остаются у экранов, убавляя громкость пультом ДУ.
Если же его нет, то приходится каждый раз вставать и регулировать на панели управления телевизора. Неудобства всего этого очевидны.
Для того чтобы убавление громкости звука во время рекламы происходило автоматически, а затем также автоматически она прибавлялась, автор и разработал предлагаемое для повторения простое устройство. Оно отслеживает уровень сигнала звукового сопровождения телевизионного изображения. При превышении максимально установленного уровня громкости устройство уменьшает ее или совсем выключает звук.

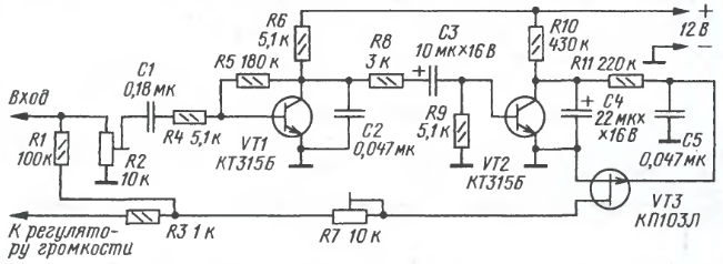
Рис. 1 Принципиальная схема устройства
Подключение рассматриваемого блока очень простое: в разрыв цепи подачи сигнала 34 на регулятор громкости. В авторском варианте оно встроено в четырехканальный усилитель 34, подсоединенный к линейному выходу телевизора. Сигнал с выхода усилителя ПЧ звука (УП43) поступает на блок, а с него — на регулятор громкости и дальше на усилитель 34.
Схема устройства изображена на рисунке. После включения телевизора на блок поступает сигнал 34. Через резисторы R1 и R3 он проходит на регулятор громкости аппарата. Каскад на транзисторе VT1, представляющий собой одно-полупериодный детектор, отслеживает изменения сигнала, причем в отсутствие рекламы он открыт. При этом транзистор V3 закрыт и не влияет (с резистором R7) на цепь прохождения сигнала 34.
Транзистор VT1 начинает закрываться только при увеличении сигнала 34, что и происходит во время рекламы, выше установленного подстроечным резистором R2 значения, причем закрывается он отрицательными «полуволнами» сигнала. При этом конденсатор СЗ заряжается через резисторы R6, R8 и эмиттерный переход транзистора VT2, открывая его.Через него разряжается конденсатор С4 (довольно быстро), а затем и конденсатор С5. В то время, когда транзистор VT1 открыт, конденсатор СЗ разряжается через него и резисторы R8, R9.
При разряженных конденсаторах С4, С5 транзистор VT3 перейдет в открытое состояние и подключит резистор R7 к цепи прохождения сигнала 34. В результате уровень звукового сигнала, поступающего на усилитель 34, резко упадет и громкость воспроизведения звука значительно уменьшится. Уровень убавления громкости можно изменять подстроечным резистором R7.
Скорость нарастания звука при восстановлении можно изменять подбором конденсатора С5. Время, в течение которого устройство держит звук пониженной громкости, устанавливают подбором конденсатора С4. В авторском варианте после пиковой громкости звука блок удерживает его пониженным еще 20 с, а нарастание происходит в течение 1 с. Если емкость конденсатора С5 выбрать меньше С 01 мкФ, то при восстановлении звука слышен характерный (негромкий) щелчок.
Необходимо заметить, что устройство четко «вырезает» рекламу только на тех каналах, на которых изменение громкости звука заметно на слух. При этом настройка блока сводится к тому, чтобы обеспечить надежное определение рекламы по уровню звукового сопровождения подстройкой резистора R2. Если уровень звука зависит и от принимаемого канала, рекомендуется вместо R2 установить переключатель с подобранными резисторами для каждого канала.
В случае, когда некоторую рекламу хочется все же послушать, можно предусмотреть кнопку с фиксацией для восстановления громкости. Ее подключают параллельно резистору R10 с последовательно включенным ограничительным резистором сопротивлением 1 кОм. Рекомендуется установить и кнопку (с фиксацией) для выключения блока по цепи +12 В.
Сопротивление резистора R1 может быть и меньше. Главное, не перегрузить линейный выход большим током.
Рекомендуем к данному материалу .
- Просмотр телевидения семьей | Видеотехника
- Корректор цветовой четкости | Видеотехника
Мнения читателей
- Сергей / 05.06.2014 — 13:06 С Уважаемым ТИМОН-ом полностью согласен! Здоровья ему и всех благ! 73 !
- Влад. / 09.11.2011 — 17:12 В тексте досадная опечатка — вместо 34 (тридцать четыре), должно быть ЗЧ (звуковая частота)!
- Шура / 11.11.2009 — 13:58 Вроде бы принимали закон запрещающий увеличение громкости во время рекламы?
- ТИМОН / 28.10.2009 — 09:18 ПОЛЕЗНЫЙ ГАДЖЕТ. НО ПРОЩЕ НА ТЕЛИК ЗАБИТЬТАК ЛИ ОН ВАМ НУЖЕН.
Вы можете оставить свой комментарий, мнение или вопрос по приведенному выше материалу:
Источник: www.radioradar.net