Форум KAZUS.RU » Форумы по электронике » Видеотехника » Ремонт блока питания ТВ Фунай МК-8
: 4
Сказал спасибо: 0
Сказали Спасибо 6 раз(а) в 2 сообщении(ях)
Ремонт блока питания ТВ Фунай МК-8
Стандартный набор сгоревших деталей: С3979, стабилитрон D 611 на 12 вольт, два диода из моста, резистор на 1,2 ома. Проверка показала обрыв резистора R 614 3,3 ома 5 ВТ , R 615 1,2 к . 
После замены всего, а также входного электролита 150 мкф на 400 В 
(телевизору 15 лет), решил для сбережения ключевого транзистора в разрыв его коллекторной цепи включить лампу накаливания. Строчная развертка отключена.При включении телевизора лампа накаливания горит ярким светом. Перед этим без лампы в разрыве коллекторной цепи при нагрузке блока питания на лампочку сгорело 2 комплекта деталей(см.выше). Подскажите, где искать бяку? Спасибо.
Источник: kazus.ru
Телевизор Funai не включается ремонт блока питания
Ремонт телевизоров
Описание частных случаев ремонта телевизоров из практики телевизионного мастера.
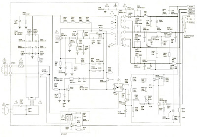
Блок питания телевизора FUNAI 2000 МК 8
Состав блока питания телевизора Funai 2000 МК 8:
· сетевой фильтр; · выпрямитель: D60З — D606; · узел защиты: Q604, IC601, Q621, Q622; · выходной каскад: Q601, Q605; · импульсный трансформатор Т601; · выходные выпрямители: D621, С62З, D622, С625, D624, С627, D62З, С629.
Блок-схема блока питания телевизора Funai 2000 МК 8 (кликните по картинке для ее увеличения)

Принципиальная электрическая схема блока питания телевизора Funai 2000 МК 8 (щелкните по схеме для ее увеличения)
Принцип работы блока питания телевизора Funai 2000 МК 8
Блок питания работает следующим образом: при включении блока питания сетевое напряжение поступает через резистивный делитель на базу Q60З. Когда зарядится С608, Q60З откроется и закроет Q605, и далее откроется Q601. По обмотке 1 Т601 потечет ток, который вызовет появление напряжения на остальных обмотках трансформатора.
Со 2 обмотки Т601 снимается напряжение обратной связи, плюсом к базе Q605, открывая его и соответственно закрывая Q601. Ток через 1 обмотку Т601 прекратится. Одновременно закрывается минусом через D616, D615 — Q60З. Далее при повторном запуске блок питания переходит в режим автогенерации.
Узел защиты (Q604, IC601, Q621, Q622) отслеживает выходные напряжения с трансформатора питания и отключает, срывает генерацию блока питания в случае превышения +115В на выходном разъеме.
Q604 в зависимости от состояния фототранзистора оптрона IC601 изменяет частоту генерации блока питания, тем самым изменяя мощность, отдаваемую в нагрузку. Q604 может и полностью открыться, заблокировав генерацию блока питания. Q622 при превышении +115 В открывается, открывая Q621, зажигая светодиод IC601, уменьшая частоту генерации блока питания.
Ремонт телевизора Фунай МК8. Не включается. Курсы телемастеров.
Основные неисправности блока питания телевизора Funai 2000 МК 8
1. Блок питания выходит в защиту (F601, R601 целы). · Проверьте нагрузки блока питания. · Проверьте исправность элементов защиты: Q604, IC601, Q621, D628, Q622, Q62З. · Проверьте наличие +115В, +27В, +12В, исправность элементов выходных выпрямителей блока питания.
2. Блок питания не включается (F601, R601 неисправны — в обрыве). · Проверьте исправность следующих элементов: Q601, Q605, Q604, Q60З, D611. · Проверьте элементы сетевого фильтра и выпрямителя: Т602, С601, С60З-С606, D60З-0606, С607.
З. Блок питания не включается (F601, R601 исправны). · Проверьте каскад первичного запуска Q60З и элементы его обрамления, D615, D616, D618, D619, D612, D617. · Проверьте изменение напряжения на базе Q60З от 0В до +0,6В, а также закрывается ли вследствие этого Q605. В противном случае проверьте R611, R620, R626, R627, R628, Q604, R622, IC601. · Если неисправность не обнаружена, предположительно нужно заменить Т601.
В некоторых случаях замена Т601 требуется при выходе из строя Q601 (Q605).
Источник: remtv.blogspot.com
Схема блока питания телевизора фунай
Если у Вас возникли вопросы, задавайте их на форуме.
В сети
Пользователей: 74
Из них просматривают:
Аналоги: 22. Даташиты: 24. Инструкции: 7. Магазин: 1. Новости: 9. Теги: 1. Форум: 9. Чат: 1. 
Участников: 2 
Гостей: 72
Рекорд 2375 человек онлайн установлен 26.12.2015.
Партнёры
Новые объявления
В настоящее время нет объявлений. 
Ремонт импульсного блока питания FUNAI 2000A MK7
Просмотр этой темы:
1 анонимных пользователей
Ремонт импульсного блока питания FUNAI 2000A MK7

Студент
Из: Khmelnitskiy

Телевизор FUNAI TV2000 MK7,питания все есть кроме 12в.на кадровую,16в. приходит на эмитор транзистора Q233 (2SB1274)а с колектора на стабилизатор IC207(78M12)тишина,менял транзистор поставил нашКТ837В,тихо,помогите?
Отправлено: 15.02.2012 19:10
Отредактировано пользователем alexfloka 15.02.2012 19:50:49
Re: Ремонт импульсного блока питания FUNAI 2000A MK7

Модератор
Из: ПМР Рыбница

Транзистор зря менял,тут нужно смотреть сигнал включения с процессора, приходящий через D249. 12 вольт подаются на видеопроцессор, кадровая питается от ТДКСа!
Источник: radio-hobby.org