Описание: схема блока питания телевизора «hitachi cmt2130 (шасси np84c22)» (hm9207, mn650).
Категории:
Информация о файле
Размер файла: кб. Последнее обновление: 01.05.2001 12:00:00 Ресурс получен от: Михаил Гусев Сложность схемы: нет информации Файл запрашивали: 2005 раз(а)
Рейтинг читателей этой схемы
Похожие схемы
| TV power supply schematics HITACHI CMT2130 (Шасси NP84C22) | Видеотехника >> Мониторы | 15.11.2005 09:48 |
| схема блока питания от телевизора электроника 404д (пт-23). | ТВ техника >> Источники питания ТВ | 01.05.2001 12:00 |
| схема блока питания телевизора «supra stv-1454/2054» (str5412). | ТВ техника >> Источники питания ТВ | 01.05.2001 12:00 |
| схема блока питания телевизора «шилялис ц-445д» (1упцт-i-32) (кт828б, кт814г, кт503а). | ТВ техника >> Источники питания ТВ | 01.05.2001 12:00 |
| схема блока питания телевизора daewoo dtk-1418vm/2018vm, dtk-1413vm/2013vm. | ТВ техника >> Источники питания ТВ | 01.05.2001 12:00 |
Ремонт жк телевизора HITACHI мод: L32N03A не включается
Источник: www.qrz.ru
Ремонт телевизоров
Описание частных случаев ремонта телевизоров из практики телевизионного мастера.
Блок питания телевизора HITACHI Модель: СМТ2130 (шасси NP84C22)
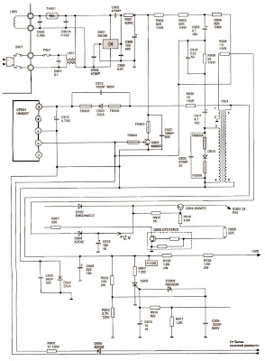
Состав Блок питания телевизора HITACHI Модель: СМТ2130 (шасси NP84C22)
· сетевой фильтр: С901, L901;
· сетевой выпрямитель: D901, С903, С904, С902, С906;
· модулятор: СР901, Q901, Т901 с элементами обрамления;
· система слежения за выходными напряжениями: Т901 (5-6 выводы), R920, D903, С901;
· выходные выпрямители:
— D904, С915 — канал +12 В;
— С909, D902 — канал +110 В;
· узел защиты по напряжению: Q902, ZD909, С913;
· система размагничивания: ТН901, L905, С950, С901А.
Блок-схема блока питания телевизора HITACHI Модель: СМТ2130 (шасси NP84C22)
(для увеличения изображения кликните по картинке)
Электрическая принципиальная схема блока питания телевизора HITACHI Модель: СМТ2130 (шасси NP84C22)
(для увеличения схемы щелкните по катринке)

Принцип работы блока питания телевизора HITACHI Модель: СМТ2130 (шасси NP84C22)
При включении блока питания напряжение питающей сети после сетевого фильтра поступает на диодный мост. Сглаженное С906 напряжение (около +280 В) поступает на вход схемы преобразователя.
Типовой ремонт блока питания 12V 8A телевизора Hitachi C20-LC880SNT
В первый момент импульс тока проходит через С927 и Q901 частично открытый, благодаря начальному смещению, заданному R904; далее через первичную обмотку Т901 (5-6 выводы), незаряженный С909 и, через открытый, Q902 на корпус. При этом на вторичных обмотках Т901 наводится ЭДС.
Последовательно соединенные С901, R906, С918, обмотка 3-4 Т901 образуют цепь положительной обратной связи (ПOС), необходимую для работы блокинг-генератора в режиме автоколебаний. Импульс тока, наведенный во вторичной обмотке (3-4 выводы Т901), через R906 заряжает С911 и, поступая на базовую цепь Q901, вызывает лавинообразный процесс его открытия. При достижении транзистором состояния насыщения нарастание тока через первичную обмотку Т901 (5-6 выводы) прекращается, полярность напряжений на обмотках трансформатора изменяется на обратную, и происходит лавинообразный процесс запирания транзистора. Скважность формируемых блокинг-генератором импульсов определяется параметрами силового транзистора, количеством витков обмотки 3-4 Т901 и номиналами элементов С911, R906, а амплитуда — регулирующим воздействием цепи отрицательной обратной связи (ООС) по выходному напряжению нагрузки. Сигнал ООС через R920, D903 поступает на вход усилителя ошибки СР901 (3 вывод) и осуществляет стабилизацию выходного напряжения преобразователя.
Элементы С908, D902 представляют собой демпфирующую цепь для защиты элементов преобразователя от импульсов напряжения и тока в переходных режимах. Кроме того, С927 является дополнительной демпфирующей цепью. С выходного каскада строчной развертки через D905, R908 в базовую цепь силового транзистора Q901 поступают положительные импульсы обратного хода, которые являются для блокинг-генератора внешним синхронизирующим сигналом. Синхронизация частоты преобразователя рабочей частотой блока строчной развертки улучшает подавление помех. Импульсное напряжение первичной обмотки T901 (5-6 выводы) с помощью элементов С908, С909, D902 выпрямляется, сглаживается и подается для питания узлов телевизора.
Обмотка 2 Т901 питает также канал +12 В (через D904, С915).
Неисправности блока питания телевизора HITACHI Модель: СМТ2130 (шасси NP84C22)
1. При включении телевизора перегорает Р901.
1.1. Неисправны блоки сетевого фильтра, выпрямителя, системы размагничивания. Проверьте элементы этих блоков (см. состав).
1.2. Неисправен ключевой преобразователь.
Проверьте последовательно: Q901, С927, С905, С911, D910, D902, С909, С910, СР901, Т901.
2. Телевизор не включается (Р901 цел, на коллекторе Q901 около +280 В).
Проверьте элементы узла начального запуска: R904, С911, R906, С905, а также С910, D903. Проверьте исправность СР901, Т901. Проверьте исправность Q902, ZD909, С913.
З. Сильные импульсные помехи на экране телевизора (на всех каналах).
Проверьте цепь внешней синхронизации от блока строчной развертки (см. описание): D905, R908 и так далее.
Источник: remtv.blogspot.com
Схема блока питания телевизора хитачи
![]()
ФОРУМ
![]()
Статьи, Блоги
![]()
Файлообменник
![]()
Прошивки

Продажа

Приборы (реклама)

LCD DVDhttps://remont-aud.net/load/pdp_tv/hitachi/219″ target=»_blank»]remont-aud.net[/mask_link]